您好!欢迎来到深圳市驯鹿照明实业有限公司官网!诚信开拓、合作共赢

红皓光电

    • 热点新闻

    主页 > 产品中心 > 陶瓷大功率系列 >

    3030陶瓷白光

      


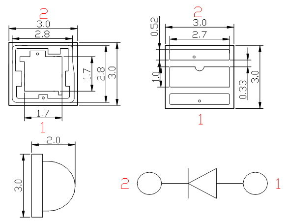
    产品尺寸图

     
    产品详情
    :采用高散热氮化铝,氧化铝陶瓷支架.抗硫化,抗紫外,更好散热
    :原装正品芯片,低光衰,高亮度.
    :LM-80 /ROHS
    主要应用:路灯,投光灯,洗墙灯,舞台灯,视觉补光,医美等户外及室内高端照明产品

    产品型号 发光颜色 电压
    (V)
    亮度
    (LM)
    显指
    (RA)
    波长(色温)
    (NM/K)
    电流
    (MA)
    色容差 功率
    (W)
    XL3030WW 金黄光 3V 140/280LM >80 1800-2200 350/700 ≤5 1/3W
      正白 3V 140/280LM >80 6000-6500 350/700 ≤5 1/3W
      暖白 3V 140/280LM >80 3000-3500 350/700 ≤5 1/3W
      自然白 3V 140/280LM >80 4000-4500 350/700 ≤5 1/3W
      暖白 3V 140/280LM >80 2500-3000 350/700 ≤5 1/3W
      冷白 3V 140/280LM >80 7000-8000 350/700 ≤5 1/3W


    首页关于我们新闻资讯真实案例设备展示联系我们阿里诚信通
    联系地址:深圳市光明新区公明街道将石社区新围第四工业区G7号恒利荣工业园B栋4楼B区
    联系电话:135 1062 7796 E-mail:2601435680@qq.com 邮编:417600 网址:www.xunluled.com
    QQ:2601435680 1067757925
    版权所有:深圳市驯鹿照明实业有限公司(2017-2020) 粤ICP备17008051-2号

    公众号

    微信扫一扫